Вольтметры
Датчик фотоэлектрический
Индикатор низкого напряжения
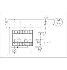
Контактор/магнитный пускатель/силовое реле переменного тока (АС)
Пускатель магнитный модульный для распределительных щитов
Регулятор температуры модульный для распределительных щитов
Реле времени
Реле времени модульное для распределительных щитов
Реле импульсное
Реле коммутационное
Реле контроля коэффициента мощности
Реле контроля тока
Реле контроля уровня/заполнения
Реле контроля фаз
Реле напряжения
Устройство управления и защиты двигателя электронное
Переключатель фаз PF-431 (с приоритетной фазой; монтаж на DIN-рейке 35мм 3х400/230+N 3х16А IP20) F&F EA04.005.001
EA04.005.001
Переключатель фаз серии "PF"
Монтаж на DIN-рейку.
Для резервного питания однофазных потребителей от 3-х фазного ввода, ..
2
4814.40р.
Переключатель фаз автоматический PF-451-1 (2 режима работы: с или без приоритетной фазы. Порог переключения: нижний 140-210В; верхний 240-300В; 3х63А монтаж на DIN-рейке) F&F EA04.005.005
EA04.005.005
Переключатель фаз автоматический PF-451-1 предназначен для резервного питания однофазных потребителей от 3-х фазного вво..
5
10404.00р.
Регулятор температуры RT-820M от -30 до +140 град.C; 16А 24-264В DC/30-264В AC 1Z IP20 микропроцессорный; многофункц.; цифровая индикация; выносной датчик с термоус. проводом; монтаж на DIN-рейке 35мм F&F EA07.001.007
EA07.001.007
Регулятор температуры серии "RT"
Монтаж на DIN-рейку.
Для контроля и поддержания заданного температурного режима по сигн..
67
4794.00р.
Реле времени PCA-512 8А 230В 1 перекл. IP20 задержка выключ. монтаж на DIN-рейке F&F EA02.001.001
EA02.001.001
Реле времени серии "PCA"
Монтаж на DIN-рейку.
Предназначено для выключения потребителей в системах автоматики (в вентиля..
1
3009.00р.
Реле времени PCG-417 2х8А 230В 2НО IP20 звезда-треугольник для пуска электродвиг. монтаж на DIN-рейке F&F EA02.001.020
EA02.001.020
Реле времени серии "PCG"
Монтаж на DIN-рейку.
Предназначено для управления контакторами, переключающими обмотки электрод..
3
3672.00р.
Реле времени PCR-513 8А 230В 1 перекл. IP20 задержка включ. монтаж на DIN-рейке F&F EA02.001.003
EA02.001.003
Реле времени серии "PCR"
Монтаж на DIN-рейку.
Предназначено для включения потребителей в системах автоматики (в вентиляц..
6
3009.00р.
Реле времени PCS-516 8А 230В 1 перекл. IP20 многофункц. вход: START/RESET монтаж на DIN-рейке (аналог РВО-1М) F&F EA02.001.013
EA02.001.013
Реле времени серии "PCS"
Монтаж на DIN-рейку.
Предназначено для включения/выключения потребителей в системах автоматики..
3
3651.60р.
Реле времени PCU-507 2х8А 230В 2п IP20 многофункц. 2 независимых времен. 1 мод. монтаж на DIN-рейке F&F EA02.001.022
EA02.001.022
Реле времени серии "PCU"
Монтаж на DIN-рейку.
Предназначено для
включения в циклическом режиме работы электрооборудовани..
12
3712.80р.
Реле времени PCU-510 2х8А 230В 2 перекл. IP20 многофункц. монтаж на DIN-рейке F&F EA02.001.009
EA02.001.009
Реле времени серии "PCU"
Монтаж на DIN-рейку.
Предназначено для включения/выключения потребителей в системах автоматики..
9
3192.60р.
Реле времени PCZ-521 16А 24-264В AC/DC 1 перекл. IP20 1 канал-125 пар включ./выключ. суточн./недел. циклы монтаж на DIN-рейке F&F EA02.002.001
EA02.002.001
Реле времени серии "PCZ"
Монтаж на DIN-рейку .
Для включения-выключения различных электрических приборов и электроустано..
2
5956.80р.
Реле времени PCZ-521-1 16А 24-264В AC/DC 1п IP20 1 канал-125 пар включ./выключ. суточн./недел. циклы монтаж на DIN-рейке (аналог ТЭ-15) F&F EA02.002.010
EA02.002.010
Реле времени серии "PCZ"
Монтаж на DIN-рейку.
Для включения-выключения различных электрических приборов и электроустанов..
3
3845.40р.
Реле времени PO-406 8А 230В 1НО IP20 задержка выключ./управ. контактом монтаж в коробку d-60мм F&F EA02.001.019
EA02.001.019
Реле времени серии "PO"
Монтаж на плоскость.
Предназначено для поддержания работы устройства после размыкания управляющ..
75
1458.60р.
Реле времени PO-415 16А 230В 1 перекл. IP20 задержка выключ./управ. контактом монтаж на DIN-рейке F&F EA02.001.018
EA02.001.018
Реле времени серии "PO"
Монтаж на DIN-рейку.
Предназначено для поддержания работы устройства после размыкания управляюще..
35
1968.60р.
Реле времени RV-01 230В 16А задержка включ. 1..1200с 1перекл. IP20 монтаж на DIN-рейке F&F EA02.001.007
EA02.001.007
Реле времени серии "RV"
Монтаж на DIN-рейку.
Предназначено для включения потребителей в системах автоматики (в вентиляци..
6
2121.60р.
Реле времени RV-02 16А 1..120с 230В 1 перекл. IP20 задержка выключ. монтаж на DIN-рейке F&F EA02.001.008
EA02.001.008
Реле времени серии "RV"
Монтаж на DIN-рейку.
Предназначено для включения потребителей в системах автоматики (в вентиляци..
10
2121.60р.
Реле времени астрономическое PCZ-524 24-264В AC/DC 16А 1 переключ. контакт IP20 1 канал F&F EA02.002.004
EA02.002.004
Реле времени серии "PCZ"
Монтаж на DIN-рейку .
Для включения-отключения освещения в моменты захода и восхода солнца в за..
9
6987.00р.
Реле времени астрономическое PCZ-525 24-264В AC/DC 16А 1 переключ. контакт IP20 1 канал монтаж на DIN-рейке F&F EA02.002.005
EA02.002.005
Реле времени серии "PCZ"
Для включения-отключения освещения в моменты захода и восхода солнца в зависимости от географич..
31
7772.40р.
Реле времени астрономическое PCZ-525-1 16А 24-264В AC/DC 1п IP20 F&F EA02.002.011
EA02.002.011
Реле времени серии "PCZ"
Для включения-отключения освещения в моменты захода и восхода солнца в зависимости от географич..
36
4569.60р.
Реле времени астрономическое PCZ-527 2х16А 24-264В AC/DC 2 переключ. контакта IP20 2 канала монтаж на DIN-рейке F&F EA02.002.006
EA02.002.006
Реле времени серии "PCZ"
Монтаж на DIN-рейку .
Для включения-отключения освещения в моменты захода и восхода солнца в за..
8
7752.00р.
Реле времени астрономическое PCZ-527-1 суточн./недельн. 2мод.; 2 канала (режим работы настраивается для кажд. канала); ночн. перерыв; годов. программа; монтаж на DIN-рейке F&F EA02.002.017
EA02.002.017
Реле времени программируемое циклическое PCZ-527-1 предназначено для включения-отключения освещения в моменты захода и в..
2
7782.60р.
Реле импульсное BIS-411 (230В 16А 1Р монтаж на DIN-рейке 35мм) F&F EA01.005.001
EA01.005.001
Реле импульсное бистабильное серии "BIS"
Монтаж на DIN-рейку.
Предназначено для включения/выключения освещения, электроу..
35
1948.20р.
Реле контроля наличия и чередования фаз CKF-318-1 (контроль чередования; слипания фаз; регулировка верх. и нижн. порога напряжения; регулировка задержки отключения; 1 модуль; монтаж на DIN-рейке)(аналог РНПП-311М) F&F EA04.002.007
EA04.002.007
Реле контроля фаз серии "CKF"
Монтаж на DIN-рейку.
Предназначено для защиты электродвигателей и электроустановок, питаем..
125
2764.20р.
Реле контроля наличия и чередования фаз CKF-BT (монтаж на DIN-рейке 35мм; микропроцессорный; регулировка порога отключения и времени отключения; контроль верхнего и нижнего значений напряжения; 3х400/230+N 2х8А 1Z 1R IP20) F&F EA04.002.004
EA04.002.004
Реле контроля фаз серии "CKF"
Монтаж на DIN-рейку.
Предназначено для защиты электродвигателей и электроустановок, питаем..
9
2947.80р.
Реле контроля наличия; асимметрии и чередования фаз CKF-B (монтаж на DIN-рейке 35мм; задержка отключения 3-5с; 3х400/230В+N 2А 1Z) F&F EA04.002.002
EA04.002.002
Реле контроля фаз серии "CKF"
Монтаж на DIN-рейку.
Предназначено для защиты электродвигателей и электроустановок, питаем..
16
2091.00р.
Показано с 1 по 24 из 70 (Страниц: 3)
